当前位置: 首页 > 产品大全 > 东莞电子围栏的智能化应用 系统设计、施工与维护全解析

东莞电子围栏的智能化应用 系统设计、施工与维护全解析

东莞电子围栏的智能化应用 系统设计、施工与维护全解析

随着城市化进程加速与安全需求提升,电子围栏作为现代安防体系的重要组成部分,在东莞的工业园区、住宅小区、商业设施及公共区域得到了广泛应用。本文将系统阐述电子围栏智能化系统工程的设计原则、施工要点与日常维护策略,为相关从业者与使用者提供参考。

一、 智能化电子围栏系统设计

  1. 需求分析与规划:
  • 场景评估:根据东莞地区的气候特点(如多雨、潮湿)及安装场所的具体环境(周界长度、地形起伏、植被情况、电磁干扰源等),确定系统的防护等级与功能需求。
  • 功能设计:智能化电子围栏应集成入侵探测、实时报警、视频联动、远程监控与管理等功能。设计时需考虑与现有安防系统(如视频监控、门禁、报警中心)的融合,实现平台统一管理。
  • 合规性考量:遵循国家《安全防范工程技术标准》(GB50348)及地方相关法规,确保系统设计合法、安全、人道(如脉冲电压控制在安全范围内)。
  1. 系统架构设计:
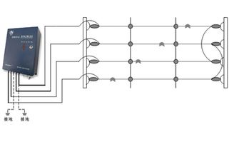
  • 前端探测部分:包括脉冲电子围栏主机、合金线(或带刺导线)、受力柱、绝缘子、警示牌等。主机应具备多防区管理、报警输出、通信接口等功能。
  • 传输网络部分:根据现场条件选择有线(如RS485、TCP/IP)或无线(如4G/5G、LoRa)传输方式,确保报警信号与状态信息稳定回传至监控中心。
  • 中心管理部分:部署智能管理平台,实现电子地图显示、报警信息处理、设备状态监控、日志记录与报表生成,并支持手机APP远程访问。
  1. 产品选型与技术参数:
  • 选择适应东莞湿热环境的防腐蚀、防水等级高(建议IP67以上)的设备。
  • 脉冲主机应具备可调节电压、报警灵敏度设置、防拆防破坏功能。
  • 考虑系统的可扩展性,为未来扩容或功能升级预留接口。

二、 智能化电子围栏系统施工要点

  1. 施工前准备:
  • 详细勘察现场,绘制施工图纸,明确走线路径、设备安装点位及接地位置。
  • 办理相关施工许可,做好安全交底,确保施工人员具备专业资质。
  1. 安装实施:
  • 立杆与支架安装:根据设计间距(通常为3-5米)安装受力柱与承力柱,确保牢固、垂直,并在拐角、高低落差处加强支撑。
  • 线缆敷设与绝缘子安装:合金线应保持平行、绷紧,绝缘子安装牢固,防止因热胀冷缩或外力导致短路或误报。线缆敷设尽量隐蔽或采用套管保护。
  • 主机与接地系统安装:脉冲主机应安装在防水箱内,置于便于检修的位置。接地是系统稳定运行的关键,接地电阻应小于10欧姆,并独立于防雷接地。
  • 联网调试:连接网络设备,配置系统参数(如防区划分、报警阈值、联动规则),测试报警触发、信号传输及平台功能是否正常。
  1. 验收与培训:
  • 施工完成后,进行全面的功能测试与稳定性试运行,形成验收报告。
  • 对使用单位的管理与操作人员进行系统培训,确保其掌握日常操作与基本故障识别方法。

三、 电子围栏系统的使用与维护

  1. 日常使用:
  • 通过管理平台或APP实时查看系统状态,接收并处理报警信息。
  • 定期检查系统日志,分析报警原因(如误报常由植被触碰、动物攀爬或设备故障引起)。
  • 严格遵守操作规程,非专业人员不得擅自调整主机参数或拆卸设备。
  1. 定期维护保养:
  • 周检/月检:清洁绝缘子与合金线,检查线路是否松弛、断裂或锈蚀;测试报警功能与联动响应;检查主机指示灯与电源状态。
  • 季度/年度维护:全面检测脉冲输出电压、接地电阻值;紧固所有支架与连接件;评估系统整体性能,必要时进行校准或部件更换。对于东莞多雨环境,需特别关注防水密封性。
  • 软件维护:定期升级管理平台软件与固件,修补安全漏洞,备份系统配置数据。
  1. 常见故障处理:
  • 误报警:排查周边环境干扰,修剪靠近围栏的植被;检查绝缘子是否老化或脏污;调整报警灵敏度。
  • 系统失效:检查电源供应、保险丝、线路连接;测试主机是否故障;验证网络通信是否中断。
  • 建立维护档案,记录每次维护与故障处理情况,为长期稳定运行提供数据支持。

在东莞推进智慧城市建设的背景下,电子围栏的智能化系统工程不仅需要前沿、可靠的设计与规范的施工,更依赖于科学、持续的维护管理。通过构建“设计-施工-维护”一体化闭环,方能充分发挥电子围栏的主动防护优势,为各类场所的周界安全提供坚实保障,助力打造更高水平的平安东莞。

如若转载,请注明出处:http://www.kgbzm.com/product/54.html

更新时间:2026-04-14 15:42:52

产品列表

PRODUCT